资源
成员
beplay体育 怎么样
网络研讨会
Beplay信誉
登录
登记
搜索
模拟
权力
2018beplay
beplay 5倍流水
beplay体育手机登录
18beplay下载
18beplay
最近的
电源管理
运算放大器的功率性能权衡
2021年9月1日
模拟
如何最好地计算DAC信号链误差预算
2021年5月18日
信贷:Church Wirestock,Dreamstime.com
电源管理
一种相对简单的实现可编程LED驱动器的方法
2021年3月5日
设计理念
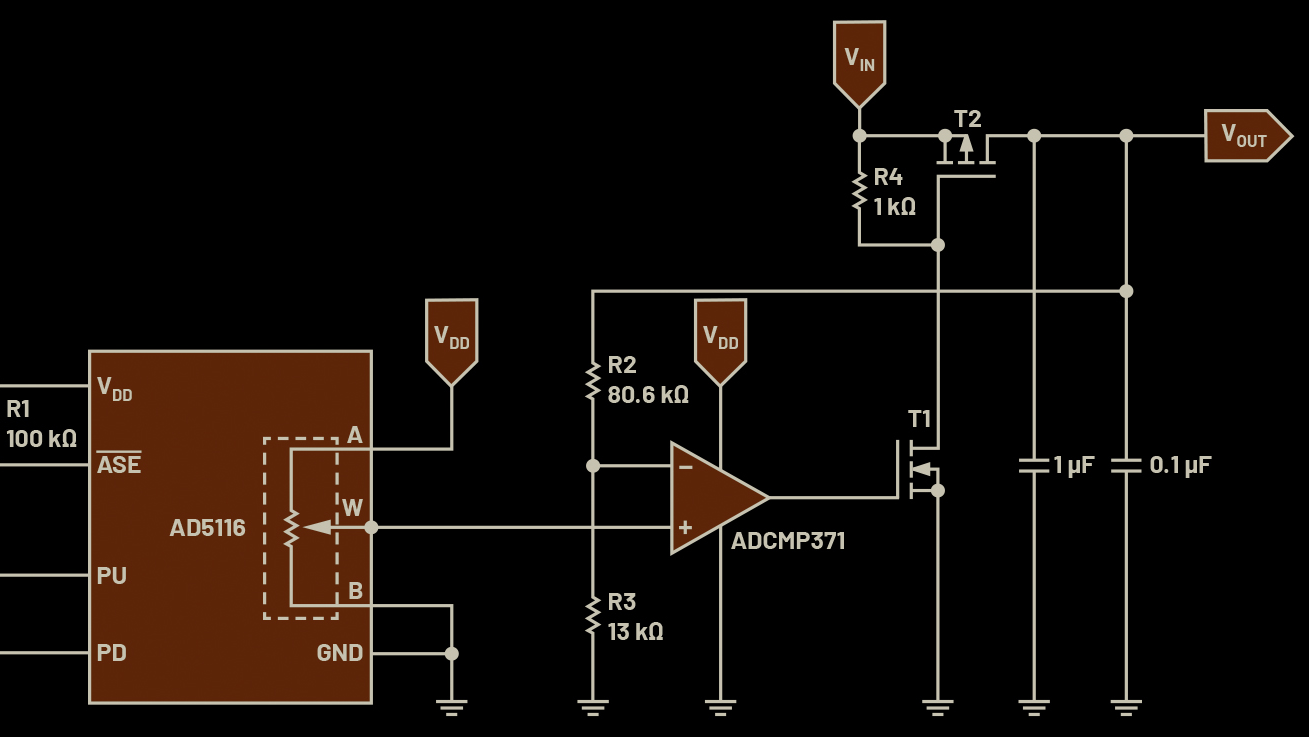
按钮、数字电位计产生可控电压输出
2020年8月31日
模拟
在高压、高频锁相环中驱动压控振荡器
2020年5月21日
托马斯·布兰德
现场应用工程师,模拟设备
托马斯。brand@analog.com
https://www.analog.com
加载更多内容