资源
成员
beplay体育 怎么样
在线研讨会
Beplay信誉
登录
注册
搜索
模拟
权力
2018beplay
beplay 5倍流水
61beplay体育
18beplay下载
18beplay
来自电源管理的最新消息
装备特写
线圈飞行器动力磁实验室套件
2021年11月22日
Arvydas Lakacauskas, Dreamstime.com
赞助内容
电源管理
在给超级电容充电时保持超低静态电流
2021年11月22日
GlobalFoundries
模拟
GlobalFoundries与福特合作,增加汽车芯片供应
2021年11月19日
电源管理
超低智商Buck/Boost转换器充电,管理超级电容
2021年11月18日,
模拟
关于模拟计算的11个误区
2021年11月17日,
Pixnoo, Dreamstime.com
beplay 5倍流水
二氧化碳传感器有助于降低室内传播COVID-19的风险
2021年11月17日,
图像由梦想时间提供。
电源管理
使用电池管理集成电路,模拟设备节省宝贵的电力
2021年11月17日,
电源管理
本周的《动力bites》:氢对电池,SiC-Mania,和卡车
2021年11月16日
18beplay下载
精密电压参考蓬勃发展,尽管汽车压力
2021年11月15日
电源管理
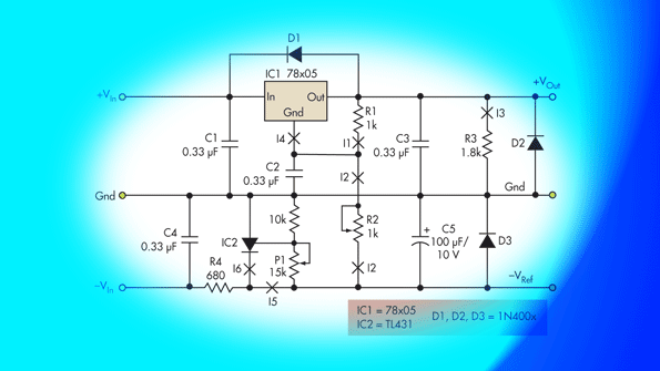
半桥反激变换器优于传统类型
2014年8月28日
将串行连接开关集成到半桥回激器中有助于提高效率,因为它们最大限度地减少了关断损失。
姆拉登·伊万科维奇和弗雷德·索耶
声音你的意见!
本网站要求您注册或登录后才能发表评论。
电子邮件地址
*
继续
目前还没有任何评论。想开始谈话吗?
相关的
电源管理
高侧负载驱动器增强短路保护
2014年7月15日
电源管理
驱动ldo到0-V输出单电源
2014年6月19日
模拟
主动模拟器支持多种RTD接线,感知配置
2014年6月13日
注册电子设计通讯
报名
加载更多的内容