|
|
下载本文以.pdf格式 这种文件类型包括高分辨率的图形和原理图(如适用)。 |
本设计描述了在LabVIEW虚拟仪器(VI)文件中实现一种新颖的头脑风暴游戏。这种创新的方法可以为机器人领域的设计师带来灵感,因为图形菜单驱动程序在追踪各种元素的组成方面起到了重要作用。该程序是一个简单的游戏“国际象棋”的实现,可以在LabVIEW的背景下与两个(人类)玩家玩。
该程序具有9个VIN,其中八个是“VI国际象棋”中使用的子访问(在线发布为LabVIEW LLB文件)。VIS简单地分开了我们在现实生活中玩游戏的方式。它们提供以下基本功能,因为每个名称表示:
•可能的_moves.vi.和moves.vi.可以做每个部件的可能移动
•type_of_place.vi可以改变盒子的颜色吗
•type_of_piece.vi.可以改变所选件的颜色
•initial_board.vi.可以初始化片段和正方形的位置
•move_from_to.vi.可以从一个位置移动到另一个位置
•哪个_PIES.VI.可以决定下一步该走哪一块吗
•启用_square.vi.可以启用正方形
•点击了..可以检查什么发生时,点击一块
•国际象棋六虚拟仪器程序是否适用于整个象棋游戏
这些VI在一个名为国际象棋游戏的vi中组合。此基本8×8矩阵初始化这些VI,使用图1中所示的前面板。在某些情况下,两个导域执行相同的操作以对应检查该操作是否正确模拟。这initial_board.vi.重置板的位置、位置类型和块,以确保根据现有条件只放置指定的正方形和块在板上。Moves.vi定义每个片段的移动,以及其他可能的移动,并在游戏中特定瞬间照顾特定件的动作。move_from_to.vi.给出玩家在特定时刻的最近动作。
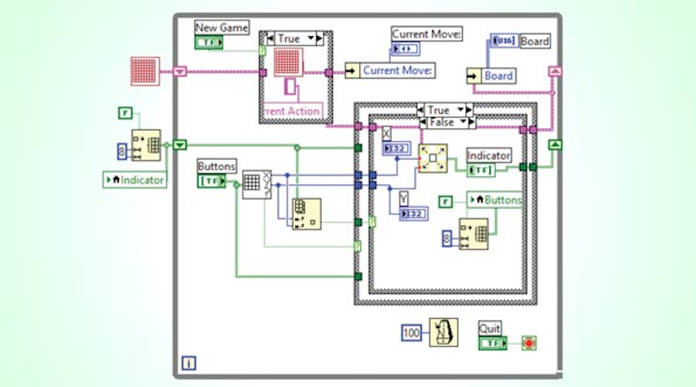
图2显示了功能块和调色板图。游戏通过按下按钮开始'新游戏,硬币被放置在合适的位置子VI.(initial_board.vi.)。“当前移动”文本字段显示其转向移动的字段显示,“当前操作”文本字段显示移动操作(示例:从E6到E1的女王)。
电路板使用阵列初始化设计,硬币放置在其默认位置。当硬币移动时,子VI.只强调那些位置是有效的硬币被移动;它不接受无效的位置。一旦玩家做出移动,“当前移动”文本框就会改变,并显示哪些玩家必须移动。每一个子VI.决定硬币和正方形的颜色,以及来自其每个位置的硬币的可能步骤。
矩阵初始化之后设置象限。每次拍摄或移动来自硬币的信息时,以前和当前的象限值都被拍摄,如功能调色板图所示。变量x和y是板上硬币的当前坐标;然后,决定未来的坐标(它可以移动的地方)。
如果广场已经有一个硬币,它将被新硬币所取代。相同的概念用于杀死或去除任何硬币。一个玩家可以移动任何硬币,即使国王在检查,而屏幕显示国王正在检查文本字段中。尽管这个程序正在模拟游戏,它可以触发人类的创造性和智能思维,并且可以促进为许多应用程序提供额外的用户友好和广泛可接受的模拟,包括机器人。
|
|
下载本文以.pdf格式 这种文件类型包括高分辨率的图形和原理图(如适用)。 |
